måndag 16 oktober 2017

Bandstop filter

Certifierade återförsäljare som förser stort utbud av olika slags reservdelar. Vi har reservdelarna till din bil. Bildelar av Toppkvalitet. Sveriges största utbud av bildelar.


Upp till rabatt på bildelar! Snabb leverans och bra priser.

Köp era nya på nätet! Bästa pris på marknaden! In signal processing, a band - stop filter or band -rejection filter is a filter that passes most frequencies unaltere but attenuates those in a specific range to very low levels. It is the opposite of a band -pass filter. A notch filter is a band - stop filter with a narrow stopband (high Q factor).


The name itself indicates that it will stop a particular band of frequencies. Since it eliminates frequencies, it is also called as band elimination filter or band reject filter or notch filter. The main function of the bandstop filter is eliminating or stopping the particular band of frequencies.


Bandstop - filter the signal to remove the medium-frequency tone.

Specify passband frequencies of 1Hz and 2Hz. Display the original and filtered signals, and also their spectra. Since most RF filters are derived from the basic low pass filter , and then converted thru mathematical processes to a band stop filter , that type of filter requires more sections in order to have an equivalent pass band to.


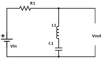
Band stop filter 2nd order. A band stop filter (band reject filter ) of the 2nd order is constructed identically to the filter of the 1st order. The replacement of the ohmic resistance against an inductance increases the order. A higher order means that the filter effect becomes stronger and the transition areas smaller.


I have used butterworth signal library to make a highpass filter , but using same technique I cannot achieve this bandstop filter. Bandpass butterworth filter in python is not. It is formed by the combination of low pass and high pass filters with a parallel connection instead of cascading connection. It rejects a band of frequencies, while passing all others. This is also called a band-reject or band-elimination filter.


Like band­pass filters, band-stop filters. Below the settings text is a spectrum display showing the input signal. The band-stop filter does just the opposite.


At the top of the spectrum display, there is a visual representation of the currently selected stopban and of the filter shape resulting from the current bandpass and enabled bandstop settings combined. AWG Tech supplies a wide range of S- band band rejection filter globally. GHz bandstop filter.


A band - stop filter works to screen out frequencies that are within a certain range, giving easy passage only to frequencies outside of that range.

Also known as band -elimination, band -reject, or notch filters. In this post we’ll show you how to implement very simple high-pass, band-pass and band-stop filters on an Arduino. It is highly recommended that you read our previous post about potentiometers and EMA (Exponential Moving Average) filtering as well as the one about plotting multiple values in the Arduino IDE before continuing since we use similar circuitry, filtering method and plotting.


Band-stop filters can be made by placing a low-pass filter in parallel with a high-pass filter. Commonly, both the low-pass and high-pass filter sections are of the “T” configuration, giving the name “Twin-T” to the band-stop combination. Their usefulness comes from being able to filter out ( attenuate) all frequencies in a given range or band or frequency, while passing all frequencies outside this range. Bandstop filters are variably known also as a bandreject or notch filter.


If disable all stopbands act as though turned off and have no effect on filtering. Quick toggle: shows a summary of stopband settings. This filter only let the lowest and the highest frequencies through.


This means that it differentiates itself quite a bit from the high-pass and the band-pass since it doesn’t return to zero all the time, but instead follows the steady value of the signal (like a low-pass filter). As a review, the primary frequencies are identified on the frequency response curves in Figure 1. As you can see, each of these filters has two cutoff frequencies, designated f Cand f C2. From these, I selected the AADE Filter Design and Analysis software by Almost All Digital Electronics.

Inga kommentarer:

Skicka en kommentar

Energiarmband test

Vi hjälper dig hitta lägst pris på produkter inom skönhet och hälsa. Hitta rätt produkt till rätt pris. Jämför pris på kontaktlinser. Se...